Din kurv er tom
Aluminium profil til Häfele Loox LED-bånd med en bredde på 10 mm.
Denne model er særlig egnet til spejle. Profilen sættes fast til spejle med lim eller selvklæbende tape, og LED-båndet ligges ind i profilen. Denne profil giver en behagelig belysning/oplysning af dit spejl, samt et mere fuldendt og integreret udseende til dit spejl. Profilen er også med til at beskytte LED-båndet mod berøring og andet.
- Anvendelse: Til belysning af spejle. Til LED-bånd med bredde på 10 mm
- Materiale: Aluminium
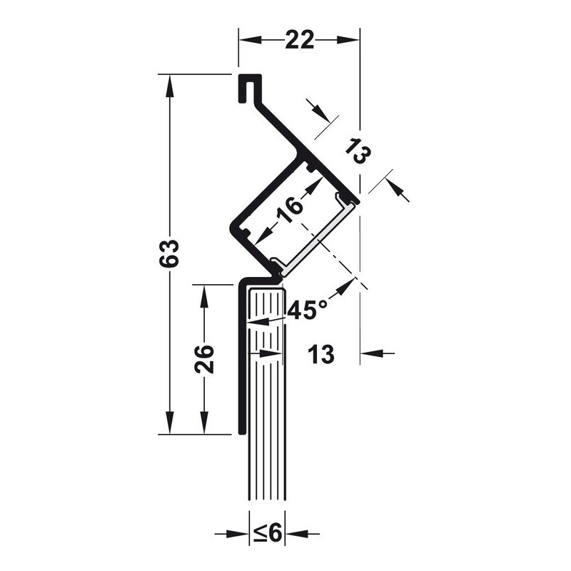
- Til glastykkelse: 6 mm
- Plastik front bredde: 16 mm
- Montage: Med lim eller stærk selvklæbende tape
- Længde: 3000 mm
- Profil farve: sølvfarvet
Alle mål ses på teknisk tegning i billeder.
Henvisning
Det er vigtigt at profilen rengøres fri for støv, snavs og fedt, før LED-båndet sættes fast til profilen med det selvklæbende tape.
Indeholdt i leveringen
1 aluminium profil
Plastik fronten medfølger IKKE. Plastik fronten skal købes seperat (se tilbehør).

.png)












Din vurderings anerkendelse kan ikke sendes
Rapporter kommentarer
Rapport sendt
Din rapport kan ikke sendes