Din kurv er tom

Skydeskabsbeslag Hawa Clipo 36 GK IF er et simpelt beslag til skabslåger af glas, som ikke har boringer. Ideelt til vitrineskabe.
Hawa er en af de helt store producenter af skydebeslag til både døre og skabe, som har fleksibilitet og modernitet i fokus. Med et Hawa beslag kan du være sikker på, at kvaliteten holder i mange år.
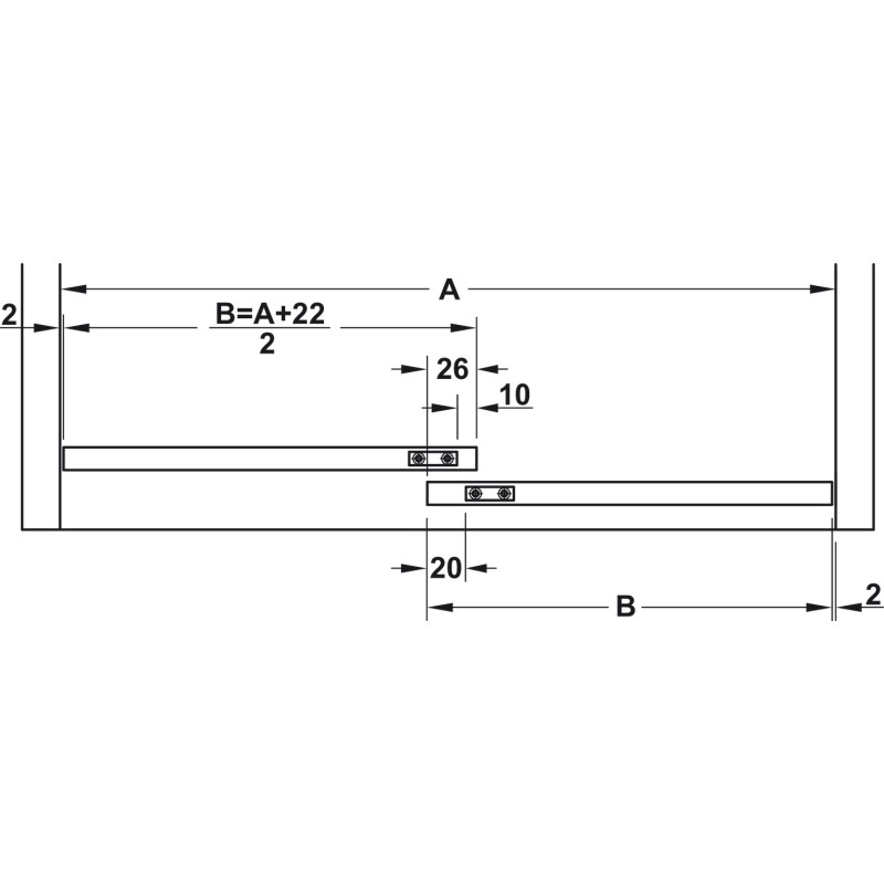
Denne version passer til indeniliggende skabslåger, det vil sige skabslåger som sidder inde i skabet. Passer til 1 låge.
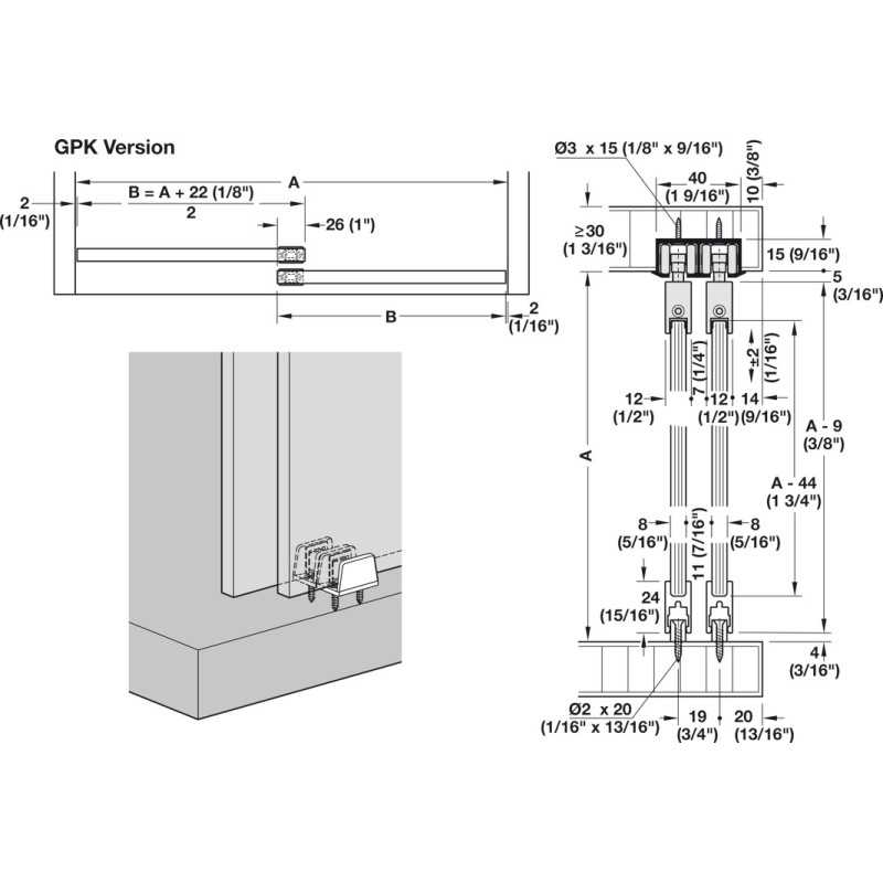
Beslaget kan klare en lågevægt på op til 36 kg, og kan justeres med ±2 mm. Vægt belastningen ligger i toppen. Glasset skal monteres med en fugemasse i glasmontageprofil. Find disse i tilbehør.
Soft-close medfølger ikke, men kan tilkøbes til beslaget. Se tilbehør.
Interesseret i at vide mere generelt omkring skydedøre? Så klik her
- Antal låger: 1 låge
- Til glastykkelse: 6-8 mm
- Lågevægt: Maks. 36 kg
- Lågehøjde: ≤2000 mm
- Lågebredde: ≤1000 mm
- Materiale:
- kørebeslag: Zinklegering
- Styr: Plastik (model A, GPK) eller zinklegering (Model B, GPPK)
- Aksel: Stål
- Højdejustering: ±2 mm
- Vægt belastning: Ligger i toppen
- Montering: Quick fix system; værktøjsløs montering af kørebeslag. Påskruning af styr.
| Antal dør | Model | Anvendelse |
Leveringen indeholder | |
| Til 1 dør | A: Clipo 36 GPK | Til glaslåge med topramme | ![]() |
2 kørebeslag 1 transparent bundstyr 2 dørstopper med clip-in funktion Montagemateriale |
| B: Clipo 36 GPPK | Til glaslåge med både top- og bundramme | ![]() |
2 kørebeslag 1 bundstyr 2 dørstoppere med clip-in funktion 3 dækkapper Montagemateriale |
|
Vælg model A eller B længere nede på siden.
OBS! Skinner skal bestilles ved siden af! Find dem under tilbehøret under beskrivelsen her. Skinner er nødvendige for at systemet fungerer.
OBS! For GPPK modellen skal glaslågen monteres i en montageprofil. Find denne under tilbehør.

.png)














Din vurderings anerkendelse kan ikke sendes
Rapporter kommentarer
Rapport sendt
Din rapport kan ikke sendes