Din kurv er tom

Skydeskabsbeslag Hawa Combino 20/35 VF er et simpelt beslag til lette skabslåger. Ideelt til skydelåger i stuen.
Hawa er en af de helt store producenter af skydebeslag til både døre og skabe, som har fleksibilitet og modernitet i fokus. Med et Hawa beslag kan du være sikker på, at kvaliteten holder i mange år.
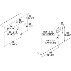
Denne version er til udenpåliggende låger, og passer til 2-3 låger.
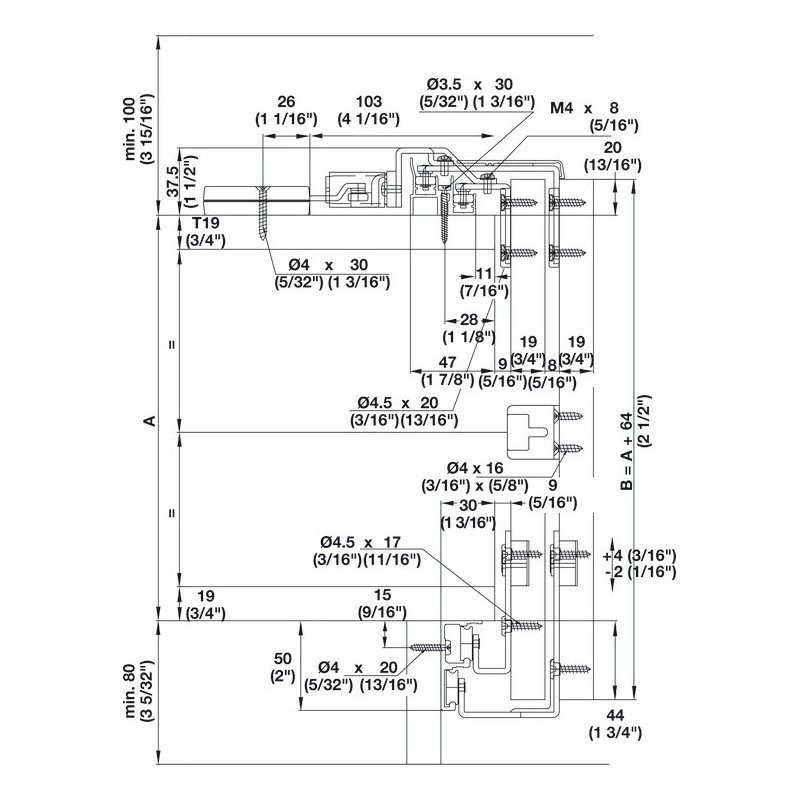
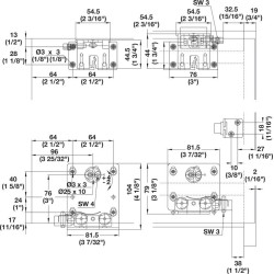
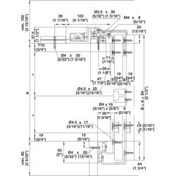
Beslaget kan klare en lågevægt på op til 20 kg eller 35 kg (se varianter i tabel), og kan justeres med +4/-2 mm med excenterskrue. Vægt belastningen ligger i bunden af systemet.
Soft-close er ikke integreret, men kan tilkøbes. Se tilbehør.
Interesseret i at vide mere generelt omkring skydedøre? Så klik her
- Antal låger: 2-3 låger
- Lågetykkelse: 19 mm
- Lågevægt: 20 eller 35 kg (se tabel)
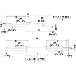
- Maks. dørhøjde: ≤2200 mm
- Maks. dørbredde: ≤1200 mm
- Materiale:
- Kørebeslag og styr: stål
- Løber: plastik
- Højdejustering: +4/-2 mm med excenter skrue
- Vægt belastning: Ligger i bunden
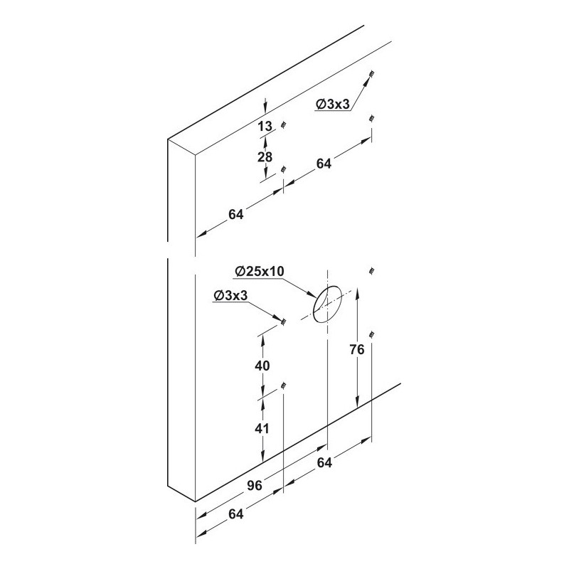
- Montering: påskruning af løbe- og styreskinner, hvorefter beslaget skal påsættes.
| Antal låger | Bærevægt | Leveringen indeholder |
| 2 låger | 20 | 4 kørebeslag 4 styr 8 dørstoppere (6 med clip-in dørstoppere, 2 alm. dørstoppere) 1 lågemedbringer 1 montagemanual |
| 35 | ||
| 3 låger | 35 | 6 kørebeslag 6 styr 8 dørstoppere (7 med clip-in dørstopper, 1 alm. dørstopper) 2 lågemedbringere 1 montagemanual |
Længere nede på siden kan du vælge antal låger og bærevægt.
OBS! Skinner skal bestilles ved siden af! Find dem under tilbehøret under beskrivelsen her. Skinner er nødvendige for at systemet fungerer.

.png)












Din vurderings anerkendelse kan ikke sendes
Rapporter kommentarer
Rapport sendt
Din rapport kan ikke sendes