Din kurv er tom
Regtangulær skålegreb i aluminium med en stålfarvet overflade. Denne model har hul i midten og er beregnet til montage på en glasdør. Grebet monteres direkte på døren med det dobbeltklæbende tape eller lim.
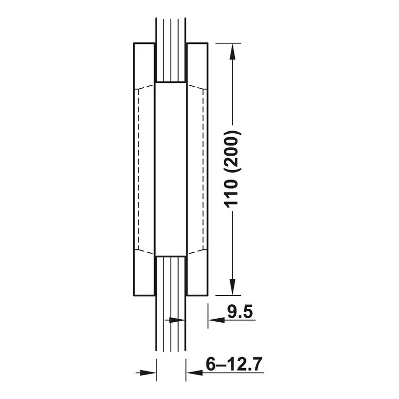
- Anvendelse: Til glasdøre med tykkelse på 6-12,7 mm
- Montage: Dobbeltklæbende tape (lim kan tilkøbes for ekstra holdbarhed)
| Til glastykkelse mm | Bredde mm | Højde mm |
| 6-12,7 | 60 | 110 |
| 200 |
Længde vælges længere nede på siden
Se alle mål på den tekniske tegning under billeder.
Dette greb er produceret i aluminium. Aluminium er et let, korrosionsbestandigt og stærkt metal, og er det metal næst efter jern som udvindes i størst mængder. Aluminium er et forholdsvis billigt materiale at producere i, og derfor kan du også finde et stort udvalg af billige greb fremstillet i aluminium.
Grebet har en stålfarvet overflade, hvilket vil sige at grebet er belagt med et tyndt lag stålfarve.
OBS: Skal grebet monteres på en glasdør med en ruflet overflade, anbefales det at lime grebet fast. Lim medfølger ikke!

.png)












Din vurderings anerkendelse kan ikke sendes
Rapporter kommentarer
Rapport sendt
Din rapport kan ikke sendes