Din kurv er tom
Häfele Metalla 310 A/SM 110° hængsel til skabslåger med aluminium rammer til glas.
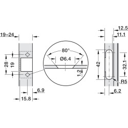
Hængslet er det helt nye i hængsler fra Häfele, og denne model er lavet til aluminium rammer til smalle låger fra 19 til 24 mm tykkelse.
Ikke nok med at hængslet er prisvenlig, så er den også LGA testet til 40.000 åbninger. Billig pris uden at gå på kompromis med kvaliteten.
Denne model har ikke lukkedæmpning, men har en integreret lukkeautomatik, som holder lågen fast i lukket position, så den ikke går op af sig selv.
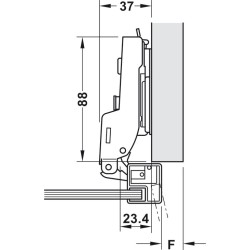
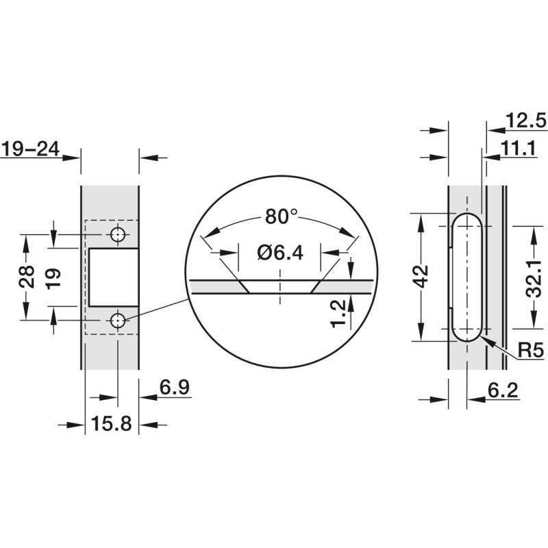
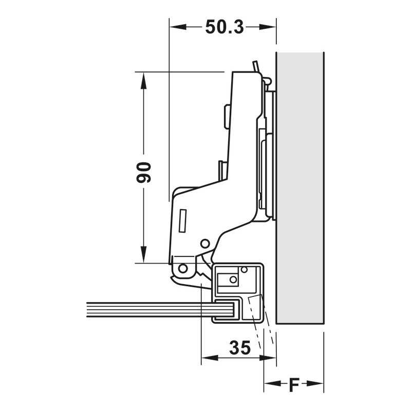
Se konstruktionsdimensioner på den tekniske tegning under billeder.
- Standardanvendelse
- Materiale:
- Kop: Zinklegering
- Hængselarm: stål
- Åbningsvinkel: 110°
- Borebillede: 28/6,9
- Automatik: Med fjeder der holder lågen lukket
- Dæmpning: Nej
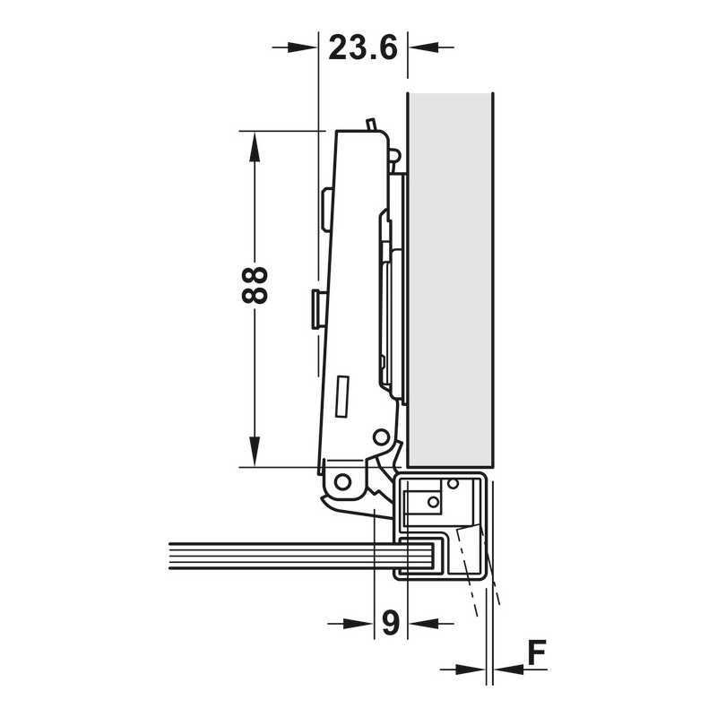
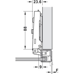
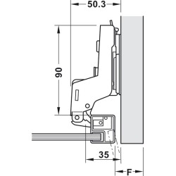
- Monteringssystem: Med slide-on A system eller quick-fixing system samt påskruning
Montageplade og dækkappe skal købes ved siden af!
Vælg monteringssystem længere nede på siden.
I tvivl om hvilket hængsel du skal vælge? Læs en mere dybdegående forklaring her: Vejledning i Metalla hængsler

.png)












Din vurderings anerkendelse kan ikke sendes
Rapporter kommentarer
Rapport sendt
Din rapport kan ikke sendes