Din kurv er tom
OBS! Dette er et rest produkt, der kommer ikke flere. Når alle enheder er solgt, vil varen udgå
Blum metabox er et simpelt skuffeudtræk, hvor alt du skal gøre er at skære bund, bag & frontstykke til skuffen. Herefter har du en komplet skuffe lige til at sætte i.
Metabox er brugt i rigtig mange huse i dag, og er et af de mest simple og billigste former for udtræk med metalsider du kan få. Samtidig kommer dette fra Blum, som altid leverer i højeste kvalitet.
Husk du kan godt få soft-close til disse skuffer. Enheden til det ligger som tilbehør til produktet her.
Der skal bruges 16 mm plade til at lave bund og bagstykke med, evt. hvid spånplade/hobbyplade.
- Længde på udtræk: 480 mm
- Udtrækslængde: ca. 400 mm
- Højde på skuffesiderne på denne model er 150 mm (Blum modelhøjde H)
- Farve: Grå
- Bæreevne: 25 kg.
Bund skal skæres:
- Bredde: Indvendig skabsbredde - 31 mm
- Dybde: 478 mm
Bagvæg skal skæres:
- Bredde: Indvendig skabsbredde - 31 mm
- Højde: 135 mm
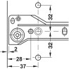
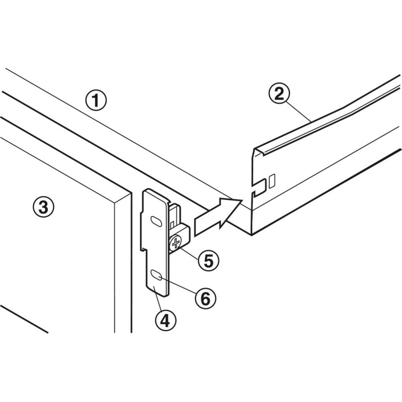
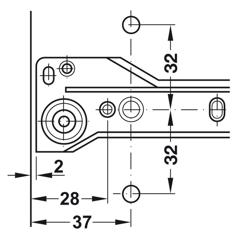
Se alle resterende mål i de tekniske tegning er i billederne.
1 sæt indeholder alt du skal bruge til at lave 1 skuffe:
- 2 stk skuffesider
- 2 stk udtræksskinner
- 2 stk beslag til montering af front skuffe (Front skal monteres med skruer - skruer medfølger ikke, se evt. under tilbehør)

.png)












Din vurderings anerkendelse kan ikke sendes
Rapporter kommentarer
Rapport sendt
Din rapport kan ikke sendes