Din kurv er tom
Häfele Matrix Box Single er et simpelt og prisvenligt skuffeudtræks sæt korpusskinner og sarg (side).
Dette rulleudtræk er med sider på 120 mm, så alt du skal gøre er at skære en bund, bag & frontstykke til skuffen.
Udtrækket er med push-to-open, hvilket er ideelt til grebsløse skuffer, da du blot skal trykke på skuffen for at åbne den.
- Anvendelse: Til skuffer og udtrækselementer med front
- Bæreevne: 30 kg
- Sarghøjde: 120 mm
- Materiale: Stål
- Overflade: Pulverlakeret
- Farve: Hvid
- Udtræk: Med underliggende udtræk
- Montage: Til påskruning på korpusside
- Push-to-open
OBS: Vær opmærksom på at du selv skal lave bund og bagstykke.
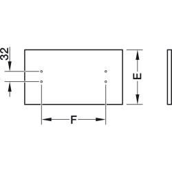
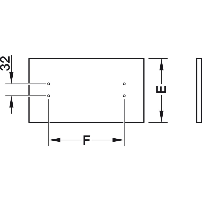
Målene på de tekniske tegninger svarer til:
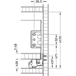
A = Nominel længde - 10 mm (Længden på bunden = længden på udtræk minus 10 mm)
B = Lysmål korpusbredde - 14 mm (Bredden på både bund og bagstykke)
C = Højde på bagstykke - X - 2 mm (Højden på bagstykket = højden på systemet - pladetykkelsen du bruger - 2 mm)
E = Fronthøjde
F = Indv. skabsbredde - 53 mm (Monteringshuller hvor fronten fæstnes til udtrækket)
| Nominel længde L mm |
| 300 |
| 350 |
| 400 |
| 450 |
| 500 |
| 550 |
OBS: Variant vælges længere nede på siden
Indeholdt i levering:
- 1 venstre og 1 højre envægs-sarg med bagvægsholder og frontmontagebeslag
- 1 par dækkapper
- 1 venstre og 1 højre korpusskinne med koblingsbeslag
Alle mål og andet kan ses på teknisk tegning i billeder

.png)












Din vurderings anerkendelse kan ikke sendes
Rapporter kommentarer
Rapport sendt
Din rapport kan ikke sendes